Specifications
- AIMS SKU A0198057
- Brand KCP
- Model Number 5KW10-H
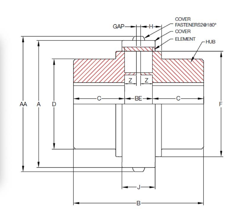
- Dimension (mm) AA - Steel 80.4
- Cover Fastener Allen Wrench M2.5
- Cover Fastener Size M4
- Dimension (mm) Gap 2
- Dimension (mm) Z 8.9
- Dimension (mm) J 23.1
- Dimension (mm) H 15
- Dimension (mm) F 64
- Dimension (mm) D 59.9
- Dimension (mm) BE 19.8
- Dimension (mm) B 71.9
- Size 5
- Dimension (mm) AA - Nylon 80.5
- Dimension (mm) A - Steel 76.5
- Dimension (mm) A - Nylon 76.5
- Cplg Wt (kg) - Steel Cover 1.49
- Cplg Wt (kg) - Nylon Cover 1.35
- Min Bore (mm) 12.7
- Dimension (mm) C 25.9
- Allow Speed Rpm 4500
- Torque Rating (nm) 62
- Max Bore (mm) 38
- Type Coupling Hub
									SKU: A0198057
									
								KCP KW Flex Coupling Hub Size 5 KW10 Type
KCP KW Flex Coupling Hub - KW10 Type
												$168.82
												
											
											
							
 
			 
		 
			 
			